
The T-bolt can be directly placed into the aluminum profile groove, and it can automatically position and lock during installation. It is often used in conjunction with flange nuts and is a standard matching connector for installing corner pieces. It can be selected and used according to the width of the profile groove and different series of profiles.
| Product Name | GB37 T-head bolt Full thread |
| Material | Carbon steel |
| Surface Finish | White zinc, Blackened, Natural color |
| Colour | Black, White |
| Standard Number | GB37 |
| Grade | 4.8 8.8 |
| Diameter | M8 M10 M12 |
| Length | 20 25 30 35 40 45 50 55 60 70 120 130 140 150 |
| Thread form | Coarse thread |
| Thread | Full thread |
| Place of origin | Hebei, China |
| Brand | Muyi |
| Pack | Box+cardboard carton+pallet |
| The product can be customized | |
| The T-bolt can be directly placed into the aluminum profile groove, and it can automatically position and lock during installation. It is often used in conjunction with flange nuts and is a standard matching connector for installing corner pieces. It can be selected and used according to the width of the profile groove and different series of profiles. | |
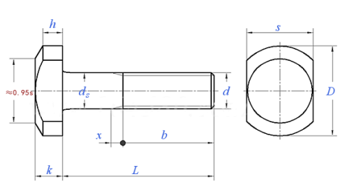
| Thread Spec d |
M8 | M10 | M12 | M16 | M20 | M24 | M30 | M36 | ||
| P | flight lead | 1.25 | 1.5 | 1.75 | 2 | 2.5 | 3 | 3.5 | 4 | |
| b | L≤125 | 22 | 26 | 30 | 38 | 46 | 54 | 66 | 78 | |
| 125<L≤200 | 28 | 32 | 36 | 44 | 52 | 60 | 72 | 84 | ||
| L>200 | / | / | / | 57 | 65 | 73 | 85 | 97 | ||
| ds | max | 8 | 10 | 12 | 16 | 20 | 24 | 30 | 36 | |
| min | 7.64 | 9.64 | 11.57 | 15.57 | 19.48 | 23.48 | 29.48 | 35.38 | ||
| D | 20 | 25 | 30 | 38 | 46 | 58 | 75 | 85 | ||
| k | max | 6.24 | 7.29 | 8.89 | 11.95 | 14.35 | 16.35 | 20.42 | 24.42 | |
| min | 5.76 | 6.71 | 8.31 | 11.25 | 13.65 | 15.65 | 19.58 | 23.58 | ||
| h | 4.1 | 4.8 | 6.5 | 9 | 10.4 | 11.8 | 14.5 | 18.5 | ||
| s | max | 14 | 18 | 22 | 28 | 34 | 44 | 56 | 67 | |
| min | 13.57 | 17.57 | 21.16 | 27.16 | 33 | 43 | 54.8 | 65.1 | ||
| x | max | 3.2 | 3.8 | 4.2 | 5 | 6.3 | 7.5 | 8.8 | 10 | |